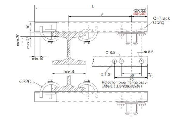
C型钢轨道及概述
安装形式及安装组件
防爆滑车及牵引钢丝
特点及安装示意
电 话:0512-6316 7685 手 机:18662115880 邮 箱:15312203030@163.com 地 址:江苏省苏州市吴江经济技术开发区三友路112号
Copyright © 2002-2022 苏州市驰盛铂特电气有限公司 版权所有 技术支持:点一点网络 备案号:苏ICP备16050304号